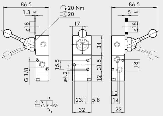
VENTIL MAV 23 LES 1/8 NC




Detaljer
Artikelnummer:
MAV23LES18NC
Lev. artikelnummer:
7010000100
Antal/förpackning:
1
Antal i lager:
4
Lagerstatus:
Skickas inom 24h
Beskrivning
Mekanisk ventil med monostabil funktion. Tillhör 70-serien och är av ventiltypen 3/2.
- Flöde (6 bar): 550 l/min
- Specifikation: NC-Normally Closed


